0574-63788682
Current Position:Home » Product Information
     
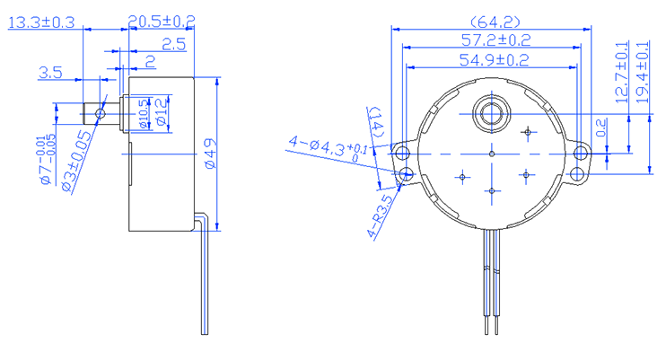
    Name:Synchronous motor 49TYJ-C-IX

     

     
    Model:49TYJ-C-IX

     

     
    Applications:Fan、heater、display stand、washing machine 、ice machine ect.
    SCHEMATIC CIRCUIT
    SPECIFICATION

Tel: 0086-574-63780312 13968215666 Fax:0086-574-63788566

Longshan Town,Cixi City,Zhejiang Province,China      Technical support: Passion