86-574-63780312
当前位置: 首页 » 产品信息» 同步电机49TYJ-J
     
    产品名称:同步电机49TYJ-J

     

     
    型号:49TYJ-J

     

     
    应用范围:孵蛋器

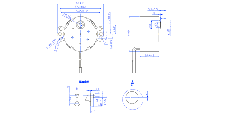
    外观安装尺寸图 SCHEMATIC CIRCUIT
    电机主要性能表 SPECIFICATION

服务热线: 0086-574-63780312 13968215666 传 真:0086-574-63788566 浙ICP备11038427号-1

地址:浙江省慈溪滨海经济开发区镇龙五路288号 技术支持:搜派科技