

应用范围:空调、智能洁具、监控器、茶壶机、加湿器、新风系统等
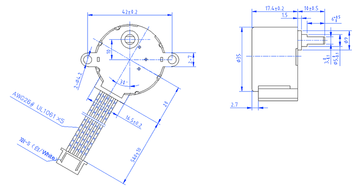
外观安装尺寸图 SCHEMATIC CIRCUIT
电机主要性能表 SPECIFICATION
上一个:步进电机28BYJ
下一个:同步电机49TYJ-B-V
