

应用范围:微波炉、电风扇、电暖器、展示台、舞台灯等
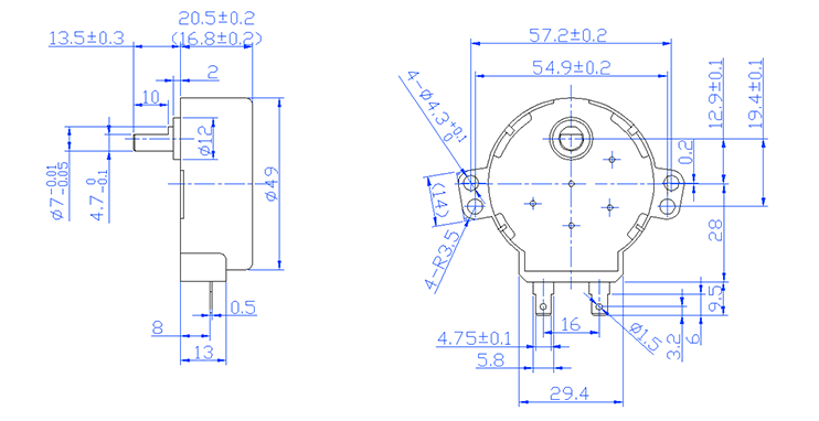
外观安装尺寸图 SCHEMATIC CIRCUIT
电机主要性能表 SPECIFICATION
上一个:同步电机49TYJ-C-III
下一个:同步电机49TYJ-C-IX
