86-574-63780312
当前位置: 首页 » 产品信息» 42BYJ
     
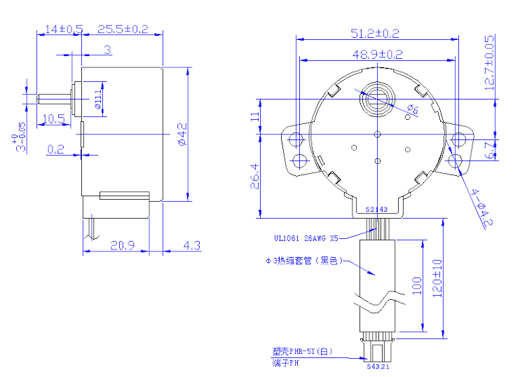
    产品名称:步进电机42BYJ

     

     
    型号:42BYJ

     

     
    应用范围:空调、智能洁具、监控器、茶壶机、加湿器、新风系统等
    外观安装尺寸图 SCHEMATIC CIRCUIT
    电机主要性能表 SPECIFICATION
上一个:双向可控同步电机35TYJ 下一个:50BYJ

服务热线: 0086-574-63780312 13968215666 传 真:0086-574-63788566 浙ICP备11038427号-1

地址:浙江省慈溪滨海经济开发区镇龙五路288号 技术支持:搜派科技