

应用范围:自动拖把机、制氧机、加湿器、咖啡机、循环扇、洗碗机、发药器等
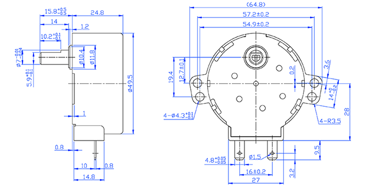
外观安装尺寸图 SCHEMATIC CIRCUIT
电机主要性能表 SPECIFICATION
上一个:同步电机49TYJ-L-I
下一个:49TYJ-C-XII
