86-574-63780312
当前位置: 首页 » 产品信息» 49TYJ-C-XII
     
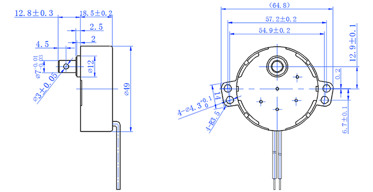
    产品名称:同步电机49TYJ-C-XII

     

     
    型号:49TYJ-C-XII

     

     
    应用范围:电风扇、电暖器、浴霸、舞台灯、展示台、制冰机等
    外观安装尺寸图 SCHEMATIC CIRCUIT
    电机主要性能表 SPECIFICATION
上一个:49TYJ-L-II 下一个:荣誉证书

服务热线: 0086-574-63780312 13968215666 传 真:0086-574-63788566 浙ICP备11038427号-1

地址:浙江省慈溪滨海经济开发区镇龙五路288号 技术支持:搜派科技